Llámanos

(656) 209 35 95

Lunes a Viernes

9:00am - 6:00pm

Lab View

Lab View


Lab View
Lab View
Lab View
Lab View
Lab View
Lab View


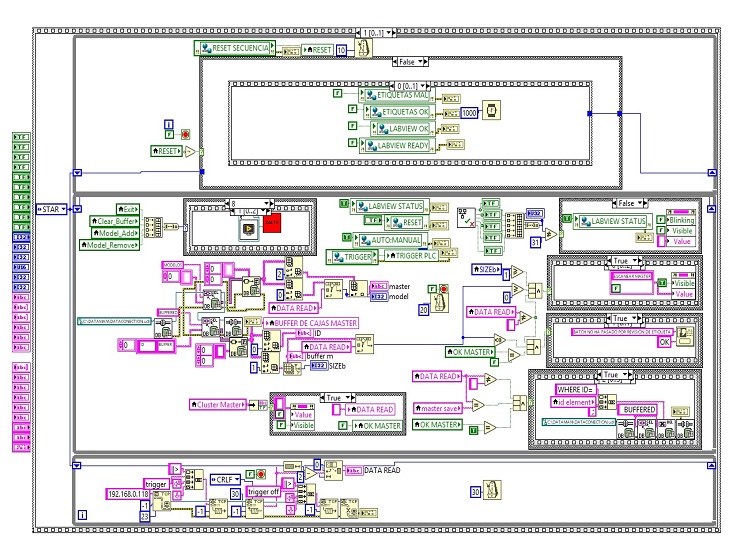
LabVIEW is a platform and development environment for designing systems, with a graphic visual programming language designed for hardware and software systems for testing, control and design, simulated or real and embedded.


In Fx Automation we choose to use one of the softwares that revolutionized the way of creating intelligent machines for the industries, since in it we can perform the necessary test to verify that the final product is correctly programmed.


Contáctanos

Para más información, presupuesto o preguntas puedes contactarnos desde Messenger, WhatsApp, Correo o por teléfono.

Envíenos Correo

ventas@fxautomation.com.mx

Este sitio web usa cookies, si permanece aqui acepta su uso. Puede leer más sobre el uso de cookies en nuestras Políticas de privacidad.